
翔盛精密-精密機械廠,精密機械零件加工,桃園精密機械廠
店家商品

|
|
|
|
|

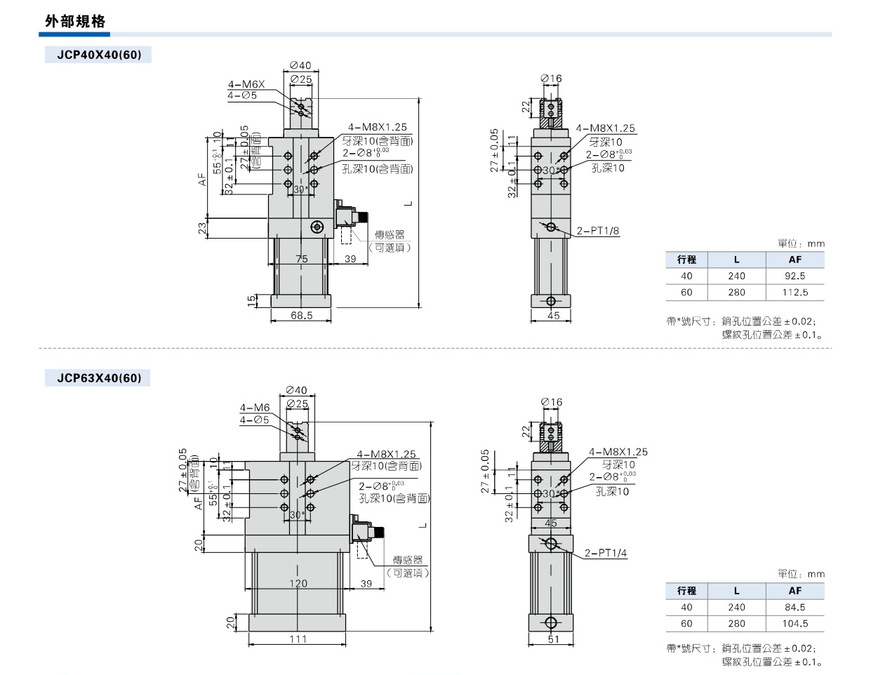
| 內徑 (mm) | JCP40 | JCP63 | |
| 動作型式 | 復動型 | ||
| 工作介質 | 空氣(經40μm以上濾網過濾) | ||
| 使用壓力範圍 | 0.3~0.8 MPa(43~116psi) | ||
| 保證耐壓力 | 1.2MPa(175psi) | ||
| 工作溫度 ℃ | -20~70 | ||
| 位置感測 | 電感式接近傳感器(DIST系列) | ||
| 行程(40)重量 | 1.9kg | 2.9kg | |
| 行程(60)重量 | 2.2kg | 3.4kg | |
| 接管口徑 (注1) | PT1/8 | PT1/4 | |
[注1] 接管牙型有PT牙、G牙可供選擇。



其它相關店家資訊